华体会平台_华体会(中国)一站式服务平台,
公司介绍
新闻中心
组织机构
服务理念
售后服务
联系我们
产品中心
xwzx.png

新闻中心

阀门结构图

您的位置: > 新闻中心 > 阀门结构图 >
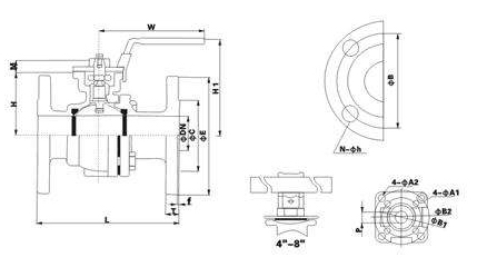
KQ41F不锈钢抗硫球阀结构图
来源:www.ikidtv.com作者:华体会平台_华体会(中国)一站式服务平台,更新时间:2023-03-18 02:03:35

【结构图片】

【结构说明】

上海凯利科为您提供KQ41F不锈钢抗硫球阀结构图,本结构图希望对您有所帮助。

1、KQ41F不锈钢抗硫球阀结构设计的主要依据国家相关标准规定设计。

2、KQ41F不锈钢抗硫球阀所采用的通用做法和标准构件图集。

3、如有特殊KQ41F不锈钢抗硫球阀构件需作结构性能检验时,应指出检验的方法与要求。

4、KQ41F不锈钢抗硫球阀主要根据剖面、长度、高度、外形等作出说明。

5、KQ41F不锈钢抗硫球阀所选用结构材料的品种、规格、性能及相应的产品标准。

【结构总结】

KQ41F不锈钢抗硫球阀结构主要是给安装单位提供具有更好的了解该KQ41F不锈钢抗硫球阀的外形结构、使用时考虑到工况、环境等因数在应用中有着更合理的计划规范,不会在安装时产生空间使用不合理等常见问题。本结构图所属华体会平台_华体会(中国)一站式服务平台,提供,并提供相关外形尺寸,在应用中可以作为参考。

您是第   位浏览者


Copyright ©2011-2022 华体会平台_华体会(中国)一站式服务平台,,版权所有。 沪ICP备11046016号-29 网站地图

销售电话:021-31001158

手机号码:13816746668 陈国辉/经理

电子邮件:klkvalves@126.com@126.com

主营产品:球阀,闸阀,蝶阀,截止阀,止回阀,调节阀

本周热门:不锈钢阻火器全天候呼吸阀气动球阀气动蝶阀气动刀闸阀气动调节阀电动球阀电动蝶阀电动刀闸阀电动调节阀不锈钢球阀不锈钢闸阀不锈钢截止阀不锈钢止回阀不锈钢电磁阀高压电磁阀高压球阀波纹管截止阀

官方网址:www.ikidtv.com