华体会平台_华体会(中国)一站式服务平台,
公司介绍
新闻中心
组织机构
服务理念
售后服务
联系我们
产品中心
jtgk.png

产品中心

SD941X,SD943H电动伸缩蝶阀

您的位置:阀门 - 蝶阀 - SD941X,SD943H电动伸缩蝶阀 更新时间:2025-07-09 08:07:41
SD941X,SD943H电动伸缩蝶阀
    • 质量安全:压力、材质、密封等全方位检测确保质量过关!
    • 价格比较:在相同品质的情况下,厂里直销,更具有优势!
    • 交货快捷:常规产品现货供应,生产加工销售一条龙服务!
      上海凯利科阀门致力于高品质阀门的设计、研发、生产销售服务于一体的大型阀门企业,科技创新,永不止步,与您携手共创辉煌...

    • 产品描述
    • 在线询价
    • 技术咨询
    SD941X,SD943H电动伸缩蝶阀SD941X,SD943H电动伸缩蝶阀

    SD941X/SD943H电动伸缩蝶阀具有自动补偿管道热胀冷缩方便装卸的功能,使用于温度在425℃以下,公称压力在1.6MPa以下的石油、化工、电力、造纸、给排水和市政建设等工业管道上作调节流量和载断流体的最佳装置。

    产品名称: 电动伸缩蝶阀 产品型号: SD941X/SD943H
    公称通径: DN40~DN2000 阀座密封: 橡胶密封或金属硬密封
    公称压力: 0.6MPa~1.0MPa~1.6MPa 连接方式: 法兰式
    适用温度: -30ºC~+425ºC 驱动方式: 手动、蜗轮、电动、气动、液动
    阀体材质: 铸铁、球墨铸铁、铸钢、不锈钢 制造标准: 国标GB、德国DIN、美国API、ANSI
    适用介质: 空气、水、蒸气、煤气、油品等 生产厂家: 华体会平台_华体会(中国)一站式服务平台,

    产品说明

    SD941X/SD943H电动伸缩蝶阀具有自动补偿管道热胀冷缩方便装卸的功能,使用于温度在425℃以下,公称压力在1.6MPa以下的石油、化工、电力、造纸、给排水和市政建设等工业管道上作调节流量和载断流体的最佳装置。

    产品特点

    1、结构独特,设计灵活,重量轻,省力,启闭迅速。
    2、伸缩蝶阀不仅能补偿管道温差缩产生的热胀冷缩的功能,还能为维修阀门安装更换提供方便。
    3、密封部位可调节更换,密封性能可靠。

    性能参数

    工作压力(MPa) 0.6 1.0、1.6、2.5
    适用温度(℃) 橡胶密封≤80℃ 适用温度(℃) 金属硬密封≤425℃
    适用介质 水、污水、油品、空气等 适用介质 水、蒸汽、污水、油品、空气等
    材料 阀体 灰铸铁 灰铸铁、铸钢 球墨铸铁
    蝶板 球墨铸铁(表面处理) 球墨铸铁、不锈钢 球墨铸铁
    阀杆 2Cr13 不锈钢、碳素钢 铬不锈钢

    技术参数

    公称通径 DN(mm) 50~2000
    公称压力 PN(MPa) 0.6 1.0 1.6
    试验压力 强度试验 0.9 1.5 2.4
    密封试验 0.66 1.1 1.76
    气密封试验 0.6 0.6 0.6
    适用温度 ≤80℃~425℃
    适用介质 空气、水、蒸气、煤气、油品等。
    驱动形式 手动、蜗杆蜗轮传动、气传动、电传动。

    执行器参数

    执行器类别 引进型JOX系列执行器参数 引进型3610R系列执行器参数 引进型JHQ系列执行器参数
    电源电压 标准:220V AC单相 可选:110V AC 单相、380/440V AC 三相、24V/110V/220V AC
    输出力矩 50N·M~2000N·M 50N·M~1500N·M 50N·M~3000N·M
    动作范围 0~90° 0~360° 0~90° 0~90°、0°~270°可选
    控制方式 开关到位灯(开关两位控制)、无源触点信号、1/5K电位计、智能调节(4~20mA模拟量信号控制)
    动作时间 15秒/30秒/60秒 10秒/15秒/30秒 18S~112S
    保护装置 过热保护 过载保护 内置过热保护、过载保护
    环境温度 -30°~60° -30°~60° -20℃~+70℃
    手动操作 同附带手柄操作 同附带手柄操作 机械离合机构,配手轮操作
    机械限位 电气、机械二重限位 电气、机械二重限位 2个外部调整螺栓
    防护等级 IP65 IP55 IP65、IP67、可定制IP68
    防爆等级 无防爆 ExdⅡ BT4 ExdⅡ BT4,ExdⅡ CT6
    位置测量 可选装开关或电位计 比例控制单元 电位计、比例控制单元
    驱动电机 8W/E AC可逆电机 鼠笼式异步电机
    进线接口 PE1/2〞进线线锁 2-PF 1/2〞进线线锁 2个 PF 3/4”
    壳体材料 铝合金 钢,铝合金 钢,铝合金,铝青铜,聚碳酸脂
    外涂层 干粉,环氧聚酯,具有超强防腐功能
    1.电源:电机为三相交流,380V(特殊订货660V、440V或220V),50Hz(特殊订货60Hz);控制线电压220V/50Hz(特殊订货60Hz);远程控制电压24VDC。
    2.环境温度:-20—+60℃(特殊订货-60—+80℃)
    3.相对温度:≤90%(25℃时)
    4.普通型和户外型用于无易燃/易爆和无腐蚀性介质的场所;防爆型产品有dⅠ和dⅡBT4两种,dⅠ适用于煤矿非采掘工作面;dⅡBT4用于工厂,适用于环境为ⅡA、ⅡB级T1-T4组的爆炸性  气体混合物。
    5. 防护等级:户外型和防爆型为IP55(可订制IP67)。
    6. 工作制:为短时10分钟(可订制30分钟)。

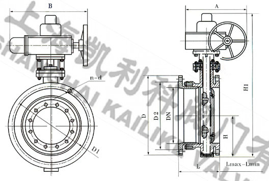
    外形结构图

    主要外形尺寸

    公称
    通径
    外形尺寸(参考值) 法兰尺寸和螺栓尺寸(标准值) 电动
    装置
    型号
    (参考)
    H H1 Lmax Lmin L A B 0.6MPa 1.0MPa 1.6MPa


    D D1 D2 n-d D D1 D2 n-d D D1 D2 n-d
    50 2 80 440 164 138 151 250 255 140 110 88 4-14 165 125 99 4-18 165 125 99 4-18 QB
    10-1
    65 21/2 95 445 190 154 172 250 255 160 130 108 4-14 185 145 118 4-18 185 145 118 4-18 QB
    10-1
    80 3 98 476 195 163 177 250 255 190 150 124 4-18 200 160 132 8-18 200 160 132 8-18 QB
    10-1
    100 4 114 504 227 184 206 250 255 210 170 144 4-18 220 180 156 8-18 220 180 156 8-18 QB
    10-1
    125 5 128 550 254 195 215 250 255 240 200 176 8-18 250 210 184 8-18 250 210 184 8-18 QB
    20-1
    150 6 139 652 240 201 225 300 315 265 225 199 8-18 285 240 211 8-22 285 240 211 8-22 QB
    20-1
    200 8 174 732 265 215 245 300 315 320 280 254 8-18 340 295 266 8-22 340 294 266 12-22 QB
    60-1
    250 10 215 823 295 235 265 300 315 375 335 309 12-18 395 350 319 12-22 405 355 319 12-26 QB
    60-1
    300 12 245 877 308 254 282 300 315 440 395 363 12-22 445 400 370 12-22 460 410 370 12-26 QB
    120-1
    350 14 270 932 325 271 300 300 315 490 445 413 12-22 505 460 429 16-22 520 470 429 16-26 QB
    120-1
    400 16 305 1047 345 283 314 300 315 540 495 463 16-22 565 515 480 16-26 580 525 480 16-30 QB
    250-1
    450 18 325 1092 370 314 340 575 714 595 550 518 16-22 615 565 530 20-26 640 585 548 20-30 QB
    250-1
    500 20 360 1182 377 316 346 575 714 645 600 568 20-22 670 620 582 20-26 715 650 609 20-33 QB
    250-1
    600 24 445 1380 446 388 417 656 810 755 705 667 20-26 780 725 682 20-30 840 770 720 20-36 QB
    500-0.5
    700 28 505 1502 445 395 425 656 810 860 810 772 24-26 895 840 794 24-30 910 840 794 24-36 QB
    500-0.5
    800 32 560 1545 479 425 455 656 810 975 920 878 24-30 1015 950 901 24-33 1025 950 901 24-39 ZA
    60
    900 36 630 1710 515 455 485 785 863 1075 1020 978 24-30 1115 1050 1001 28-33 1125 1050 1001 28-39 ZA
    60
    1000 40 680 1805 525 465 495 785 863 1175 1120 1078 28-30 1230 1160 1112 28-36 1255 1170 1112 28-42 ZA
    60
    1200 48 795 2096 574 512 542 785 863 1405 1340 1295 32-33 1455 1380 1328 32-39 1485 1390 1328 32-48 ZA
    120
    1400 56 900 2296 599 547 572 790 1338 1630 1560 1510 36-36 1675 1530 1530 36-42 1685 1590 1530 36-48 ZA
    120
    1600 64 1100 2720 640 589 615 868 1476 1830 1760 1710 40-36 1915 1820 1750 40-48 1930 1820 1750 40-56 ZA
    240
    1800 72 1124 2830 725 670 659 868 1476 2045 1970 1718 44-39 2115 2020 1950 44-48 2130 2020 1950 44-56 ZA
    240
    2000 80 1290 3120 764 680 722 965 1600 2265 2180 2125 48-32 2325 2230 2150 48-48 2345 2230 2150 48-62 ZA
    240
     

    声明:【SD941X,SD943H电动伸缩蝶阀】规格型号、结构尺寸由华体会平台_华体会(中国)一站式服务平台,提供,如何选择适用的SD941X,SD943H电动伸缩蝶阀产品,使之在工艺控制中安全可靠、经济适用,可致电我司销售部门及技术部门,我们将在最短的时间内为您解答!

    

    Copyright ©2011-2023 华体会平台_华体会(中国)一站式服务平台,,版权所有。 沪ICP备11046016号-29 网站地图

    销售电话:021-31001158

    手机号码:13816746668 陈国辉/经理

    电子邮件:klkvalves@126.com@126.com

    主营产品:球阀,闸阀,蝶阀,截止阀,止回阀,调节阀

    本周热门:不锈钢阻火器全天候呼吸阀气动球阀气动蝶阀气动刀闸阀气动调节阀电动球阀电动蝶阀电动刀闸阀电动调节阀不锈钢球阀不锈钢闸阀不锈钢截止阀不锈钢止回阀不锈钢电磁阀高压电磁阀高压球阀波纹管截止阀

    官方网址:www.ikidtv.com