D673H气动硬密封蝶阀
D671H气动硬密封蝶阀采用一个“U”型不锈钢密封圈,该精密的弹性密封圈与经过抛光的蝶板三维偏心接触。解决了传统偏心蝶阀在启闭0°~10°瞬间密封面仍处于滑动接触摩擦的弊病,实现蝶板在开启瞬间密封面即分离,关闭接触即密封的效果,达到延长使用寿命、密封性能最佳的目的。因此被广泛地应用到介质温度≤550℃的冶金、电力、石油、化工、空气、煤气、可燃气体以及给排水等腐蚀性介质的管道上,是调节流量和截断流体的最佳装置。
产品名称: |
气动硬密封蝶阀 |
产品型号: |
D673H |
公称通径: |
DN50~DN1000 |
阀座密封: |
合金、司太立、不锈钢 |
公称压力: |
1.0Mpa~4.0MPa |
连接方式: |
对夹、法兰 |
适用温度: |
-20ºC~+150ºC~425ºC |
驱动方式: |
手动、蜗轮、电动、气动 |
阀体材质: |
铸钢、不锈钢 |
制造标准: |
国标GB、德国DIN、美国API、ANSI |
适用介质: |
水、油、蒸汽、气体、粉体、液体 |
生产厂家: |
华体会平台_华体会(中国)一站式服务平台, |
产品说明
D673H气动硬密封蝶阀采用一个“U”型不锈钢密封圈,该精密的弹性密封圈与经过抛光的蝶板三维偏心接触。解决了传统偏心蝶阀在启闭0°~10°瞬间密封面仍处于滑动接触摩擦的弊病,实现蝶板在开启瞬间密封面即分离,关闭接触即密封的效果,达到延长使用寿命、密封性能最佳的目的。因此被广泛地应用到介质温度≤550℃的冶金、电力、石油、化工、空气、煤气、可燃气体以及给排水等腐蚀性介质的管道上,是调节流量和截断流体的最佳装置。
产品特点
1、该蝶阀结构简单、紧凑、重量轻、易于安装和拆卸、维修方便;
2、本蝶阀采用不锈钢“U”型密封圈,具有一定的弹性无论在高温、低温的情况下,它与蝶板均具有优良的密封性;
3、本蝶阀的三维偏心距,经过严格的计算,“U”型密封圈与蝶板几乎无磨擦,使用寿命长,并具有越关越紧的功能;
4、蝶板密封面采用堆焊钴基硬质合金,密封面耐磨损,使用寿命长;
5、本蝶阀结构独特,“开关”仅需转动阀杆90°即可完成。操作灵活、方便、省力、不受介质压力的高低影响,密封性能可靠;
6、耐高温、耐低温、耐腐蚀性。
采用标准
设计标准 :GB/T12238-1989
结构长度:GB/T12221-1989
压力试验:GB/T13927-1992;JB/T9092-1999
执行机构
采用新型系列GT型气动执行器,有双作用式和单作用式(弹簧复位),齿轮传动,安全可靠;大口径阀门采用系列AW型气动执行器拔叉式传动,结构合理,输出扭矩大,有双作用式和单作用式
1、齿轮式双活塞,输出力矩大,体积小。
2、气缸选用铝金材料,重量轻、外形美观。
3、可在顶部、底部安装手动操作机构。
4、齿条式连接可调节开启角度、额定流量。
5、执行器可选带电讯号反馈指示及各类附件以实现自动化操作。
6、IS05211标准连接为产品的安装更换提供了方便。
7、两端调的节螺钉可使标准产品在0°和90°有±4°的可调范围。确保与阀门的同步精度。
附件选项
根据不同控制和要求可选择下列附件:
切断型附件:单电控电磁阀、双电控电磁阀、限位开关回讯器。
调节型附件:电气定位器、气动定位器、电气转换器。
气源处理附件:空气过滤减压阀、气源处理三联件。
手动机构:JFSD手操机构
技术参数
公称通径 |
DN(mm) |
50~1200 |
公称压力 |
PN(MPa) |
0.6 |
1.0 |
1.6 |
2.5 |
4.0 |
试验压力 |
强度试验 |
0.9 |
1.5 |
2.4 |
3.75 |
6.0 |
密封试验 |
0.66 |
1.1 |
1.76 |
2.75 |
4.4 |
气密封试验 |
0.6 |
0.6 |
0.6 |
0.6 |
0.6 |
适用介质 |
水、蒸气、油品、酸类腐蚀性等。 |
适用温度 |
碳钢 :-29℃~600℃ 不锈钢-40℃~600℃ |
主要零件材质
零件名称 |
材料 |
阀体 |
铸铁、铸钢、不锈钢、铬钼钢、合金钢 |
蝶板 |
铸钢、合金钢(镀硬铬)、不锈钢、铬钼钢 |
密封圈 |
不锈钢、聚内脂、抗磨材料 |
阀杆 |
2Cr13、1Cr13不锈钢、铬钼钢 |
填料 |
柔性石墨 |
三偏心特点及原理
1、偏离管道中心
2、偏离密封面中心
3、倾斜的锥形
当阀门开启时,蝶板与阀座在关闭时瞬间接触,利用蝶板偏心1、偏心2迅速脱离阀座,降低了密封副的磨损,磨擦力矩小,开启灵活。偏心锥面3,使阀门在开启或关闭时蝶板能通过阀座内孔,实现接触密封。另外,锥形蝶板的旋转半径大于密封副接触位置的旋转半径,故蝶板在阀门关闭时将出现越关越紧,能够实现自锁,防止蝶板过位。
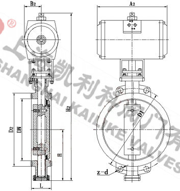
外形结构图
主要外形尺寸PN0.6~1.0MPa
公称通径 |
结构长度
标准值 |
外形尺寸(参考值) |
连接尺寸(标准值) |
重量 (kg) |
H |
H2 |
A2 |
B2 |
PN0.6MPa |
PN1.0MPa |
毫米 |
英寸 |
L |
D1 |
Z-d |
D1 |
Z-d |
50 |
2 |
43 |
112 |
625 |
245 |
72 |
110 |
4-14 |
125 |
4-18 |
11 |
65 |
21/2 |
46 |
115 |
625 |
245 |
72 |
130 |
4-14 |
145 |
4-18 |
12 |
80 |
3 |
49 |
120 |
645 |
245 |
72 |
150 |
4-18 |
160 |
8-18 |
14 |
100 |
4 |
56 |
138 |
675 |
355 |
92 |
170 |
4-18 |
180 |
8-18 |
16 |
125 |
5 |
64 |
164 |
715 |
355 |
92 |
200 |
8-18 |
210 |
8-18 |
26 |
150 |
6 |
70 |
175 |
800 |
355 |
92 |
225 |
8-18 |
240 |
8-22 |
28 |
200 |
8 |
71 |
208 |
850 |
250 |
170 |
280 |
8-18 |
295 |
8-22 |
44 |
250 |
10 |
76 |
243 |
925 |
250 |
170 |
335 |
12-18 |
350 |
12-22 |
68 |
300 |
12 |
83 |
283 |
1035 |
450 |
220 |
395 |
12-22 |
400 |
12-22 |
85 |
350 |
14 |
92 |
310 |
1070 |
450 |
220 |
445 |
12-22 |
460 |
16-22 |
121 |
400 |
16 |
102 |
340 |
1190 |
450 |
220 |
495 |
16-22 |
515 |
16-22 |
140 |
450 |
18 |
114 |
380 |
1250 |
650 |
280 |
550 |
16-22 |
565 |
20-26 |
190 |
500 |
20 |
127 |
410 |
1290 |
650 |
280 |
600 |
20-22 |
620 |
20-26 |
260 |
600 |
24 |
154 |
470 |
1455 |
850 |
380 |
705 |
20-26 |
725 |
20-30 |
380 |
700 |
28 |
165 |
550 |
1585 |
850 |
380 |
810 |
24-26 |
840 |
24-30 |
450 |
800 |
32 |
190 |
640 |
1700 |
1250 |
380 |
920 |
24-30 |
950 |
24-33 |
650 |
900 |
36 |
203 |
710 |
1965 |
1250 |
380 |
1020 |
24-30 |
1050 |
28-33 |
830 |
1000 |
40 |
216 |
770 |
2015 |
1250 |
380 |
1120 |
28-30 |
1160 |
28-36 |
1050 |
1200 |
48 |
254 |
890 |
2250 |
1250 |
380 |
1340 |
32-33 |
1380 |
32-39 |
1400 |
用户注意:表中H1、H2、H3尺寸均可根据用户需要加长(长杆蝶阀),若需特殊材料定货
主要外形尺寸PN1.6~2.5MPa
公称通径 |
结构长度 标准值 |
外形尺寸(参考值) |
连接尺寸(标准值) |
重量 (kg) |
H |
H2 |
A2 |
B2 |
PN1.6MPa |
PN2.5MPa |
毫米 |
英寸 |
L |
D1 |
Z-d |
D1 |
Z-d |
50 |
2 |
43 |
112 |
625 |
245 |
72 |
125 |
4-14 |
125 |
4-18 |
11 |
65 |
21/2 |
46 |
115 |
625 |
245 |
72 |
145 |
4-14 |
145 |
8-18 |
12 |
80 |
3 |
49 |
120 |
645 |
245 |
72 |
160 |
8-18 |
160 |
8-18 |
15 |
100 |
4 |
56 |
138 |
675 |
355 |
92 |
180 |
8-18 |
190 |
8-22 |
17 |
125 |
5 |
64 |
164 |
715 |
355 |
92 |
210 |
8-18 |
220 |
8-26 |
27 |
150 |
6 |
70 |
175 |
800 |
355 |
92 |
240 |
8-22 |
250 |
8-26 |
29 |
200 |
8 |
71 |
208 |
850 |
250 |
170 |
295 |
12-22 |
310 |
12-26 |
45 |
250 |
10 |
76 |
243 |
925 |
250 |
170 |
355 |
12-26 |
370 |
12-30 |
69 |
300 |
12 |
83 |
283 |
1035 |
450 |
220 |
410 |
12-26 |
430 |
16-30 |
86 |
350 |
14 |
92 |
310 |
1070 |
450 |
220 |
470 |
16-26 |
490 |
16-33 |
122 |
400 |
16 |
102 |
340 |
1190 |
450 |
220 |
525 |
16-30 |
550 |
16-36 |
141 |
450 |
18 |
114 |
380 |
1250 |
650 |
280 |
585 |
20-30 |
600 |
20-36 |
191 |
500 |
20 |
127 |
410 |
1290 |
650 |
280 |
650 |
20-33 |
660 |
20-36 |
260 |
600 |
24 |
154 |
470 |
1455 |
850 |
380 |
770 |
20-36 |
770 |
20-39 |
380 |
700 |
28 |
165 |
550 |
1585 |
850 |
380 |
840 |
24-36 |
875 |
24-42 |
450 |
800 |
32 |
190 |
640 |
1700 |
1250 |
380 |
950 |
24-39 |
990 |
24-48 |
650 |
900 |
36 |
203 |
710 |
1865 |
1250 |
380 |
1050 |
28-39 |
1090 |
28-48 |
830 |
1000 |
40 |
216 |
770 |
2015 |
1250 |
380 |
1170 |
28-42 |
1210 |
28-56 |
1050 |
1200 |
48 |
254 |
890 |
2250 |
1250 |
380 |
1390 |
32-48 |
1420 |
32-56 |
1400 |
用户注意:表中H1、H2、H3尺寸均可根据用户需要加长(长杆蝶阀),若需特殊材料定货
主要外形尺寸PN4.0MPa
公称通径 |
结构长度 标准值 |
外形尺寸(参考值) |
连接尺寸 标准值 |
H |
H2 |
A2 |
B2 |
PN40MPa |
毫米 |
英寸 |
L |
D1 |
Z-d |
50 |
2 |
43 |
112 |
625 |
250 |
170 |
125 |
4-14 |
65 |
21/2 |
46 |
115 |
625 |
250 |
170 |
145 |
8-18 |
80 |
3 |
49 |
120 |
645 |
250 |
170 |
160 |
8-18 |
100 |
4 |
56 |
138 |
675 |
250 |
170 |
190 |
8-22 |
125 |
5 |
64 |
164 |
715 |
450 |
220 |
220 |
8-26 |
150 |
6 |
70 |
175 |
800 |
450 |
220 |
250 |
8-26 |
200 |
8 |
71 |
208 |
850 |
450 |
220 |
320 |
12-30 |
250 |
10 |
76 |
243 |
925 |
450 |
280 |
385 |
12-33 |
300 |
12 |
83 |
283 |
1035 |
650 |
280 |
450 |
16-33 |
350 |
14 |
92 |
310 |
1070 |
650 |
280 |
510 |
16-36 |
400 |
16 |
102 |
340 |
1190 |
650 |
280 |
585 |
16-39 |
450 |
18 |
114 |
380 |
|
|
|
610 |
20-39 |
500 |
20 |
127 |
410 |
|
|
|
670 |
20-42 |
注:法兰标准:GB/T9113.1-2000 GB/T9113.2-2000 GB/T911.5.1-2000 GB/T9115.2-2000
用户注意:表中H1、H2、H3尺寸均可根据用户需要加长(长杆蝶阀),若需特殊材料定货时提出。
声明:【D673H气动硬密封蝶阀】规格型号、结构尺寸由华体会平台_华体会(中国)一站式服务平台,提供,如何选择适用的D673H气动硬密封蝶阀产品,使之在工艺控制中安全可靠、经济适用,可致电我司销售部门及技术部门,我们将在最短的时间内为您解答! |