华体会平台_华体会(中国)一站式服务平台,
公司介绍
新闻中心
组织机构
服务理念
售后服务
联系我们
产品中心
jtgk.png

产品中心

J24H-40C-64C-160C-320C外螺纹角式针型阀

您的位置:阀门 - 针型阀 - J24H-40C-64C-160C-320C外螺纹角式针型阀 更新时间:2025-07-09 08:07:10
J24H-40C-64C-160C-320C外螺纹角式针型阀
    • 质量安全:压力、材质、密封等全方位检测确保质量过关!
    • 价格比较:在相同品质的情况下,厂里直销,更具有优势!
    • 交货快捷:常规产品现货供应,生产加工销售一条龙服务!
      上海凯利科阀门致力于高品质阀门的设计、研发、生产销售服务于一体的大型阀门企业,科技创新,永不止步,与您携手共创辉煌...

    • 产品描述
    • 在线询价
    • 技术咨询
    J24H-40C-64C-160C-320C外螺纹角式针型阀J24H-40C-64C-160C-320C外螺纹角式针型阀

    J24H-40C-64C-160C-320C外螺纹角式针型阀是由外螺纹连接,适用于油﹑水﹑气等多种非腐蚀性或腐蚀性介质,适用于-29℃~+440℃ -70℃~-240℃ ≤540℃ ≤570℃。比其他类型的阀门,针型阀具有更好的密封性能和耐受压力的能力,一般用于较小流量,较高压力的气体或者液体介质的密封,最合适与与压力表配合。

    产品名称: 外螺纹角式针型阀 产品型号: J24H-40C-64C-160C-320C
    公称通径: DN20~DN400 结构形式: 角式
    公称压力: 1.6MPa~32.0MPa 连接方式: 外螺纹
    适用温度: -40ºC~+540ºC 驱动方式: 手动(一字形手柄或菊花形手轮)
    阀体材质: 铸钢、不锈钢 制造标准: 国标GB、德国DIN、美国API、ANSI
    适用介质: 水、油、蒸汽、空气等气体 生产厂家: 华体会平台_华体会(中国)一站式服务平台,

    产品说明

    J24H-40C-64C-160C-320C外螺纹角式针型阀是由外螺纹连接,适用于油﹑水﹑气等多种非腐蚀性或腐蚀性介质,适用于-29℃~+440℃ -70℃~-240℃ ≤540℃ ≤570℃。比其他类型的阀门,针型阀具有更好的密封性能和耐受压力的能力,一般用于较小流量,较高压力的气体或者液体介质的密封,最合适与与压力表配合。

    产品特性

    1. 制造标准:GB/T12224-2005 JB/T7747-1995
    2. 连接形式:接管对焊连接
    3. 结构特征:锥面密封,活动阀瓣,直角式
    4. 阀门检验和试验: GB/T13927-1992
    5. 公称压力:≤10000Psi
    6. 适用工作温度:-29℃~+200℃
    7. 适用介质: 水,油,气等腐蚀性与非腐蚀性介质
    8. 公称通径:DN6,DN10,DN15,DN20,DN25…

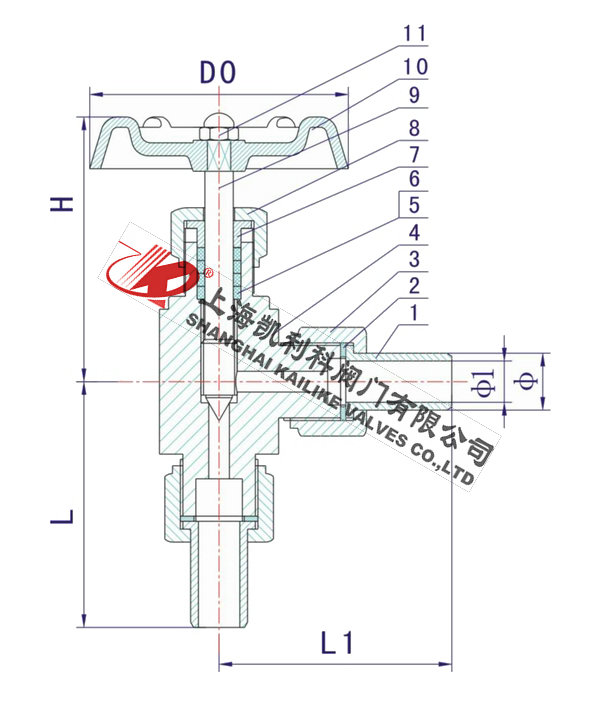
    主要零件材料

    序号
    NO.
    零件名称
    Part name
    材质
    Material
    1 焊接接管 Weld tube 20# A105 SS304 SS304L SS316 SS316L
    2 平垫圈Plain washer PTFE RTFE
    3 连接螺母 Connector Nut 20# A105 SS304 SS304L SS316 SS316L
    4 阀体 Body 20# A105 SS304 SS304L SS316 SS316L
    5 填料垫 Packing Seat PTFE 柔性石墨(Expanded Graphite)
    金属盘根(Matel and Graphite)
    6 填料 Packing PTFE 柔性石墨(Expanded Graphite)
    7 填料压盖 Packing Gland 20# A105 SS304 SS304L SS316 SS316L
    8 锁紧螺母 Lock Nut 20# A105 SS304 SS304L SS316 SS316L
    9 阀杆 Stem 20# A105 SS304 SS304L SS316 SS316L
    10 手轮 Handle 20# A105 SS304 SS304L SS316 SS316L
    11 带帽螺母 Hooded Nut 20# A105 SS304 SS304L SS316 SS316L

    性能规范

    型号 
    Type
    公称压力(MPa)Nominal pressure 试验压力(MPa)Test pressure 工作压力(MPa)Working pressure 工作温度(℃)Working temperature 适用介质 
    Applicable mediun
    壳体 
    Shell
    密封(液)
    Seal
    密封(气)
    Seal
    J24H-16 1.6 2.4 1.76 0.6 1.6 P<540℃ 液化石油气水、酸、蒸汽、油品等Petroleun gas Water,Asic,Steam,Oil etc.
    J24H-40P 4.0 6.0 4.4 0.6 4.0
    J24H-160 16.0 24.0 17.6 0.6 16.0 C<425℃
    J24H-320P 32.0 48.0 35.2 0.6 32.0

     外形结构图

     

    主要外形尺寸

    型号 公称通径 DN
    Nominal bore
    ø ø1 L1 L H D0
    J24H-40C-64C-160C-320C DN6 ø14 ø12 60 66 76 70(60)
    J24H-40C-64C-160C-320C DN10 ø18 ø14 60 66 76 80(60)
    J24H-40C-64C-160C-320C DN15 ø22 ø17 65 71 81 80(70)
    J24H-40C-64C-160C-320C DN20 ø28 ø19 67 73 110 110(80)
    J24H-40C-64C-160C-320C DN25 ø33 ø22 73 79 130 130(100)
     

    声明:【J24H-40C-64C-160C-320C外螺纹角式针型阀】规格型号、结构尺寸由华体会平台_华体会(中国)一站式服务平台,提供,如何选择适用的J24H-40C-64C-160C-320C外螺纹角式针型阀产品,使之在工艺控制中安全可靠、经济适用,可致电我司销售部门及技术部门,我们将在最短的时间内为您解答!

    

    Copyright ©2011-2023 华体会平台_华体会(中国)一站式服务平台,,版权所有。 沪ICP备11046016号-29 网站地图

    销售电话:021-31001158

    手机号码:13816746668 陈国辉/经理

    电子邮件:klkvalves@126.com@126.com

    主营产品:球阀,闸阀,蝶阀,截止阀,止回阀,调节阀

    本周热门:不锈钢阻火器全天候呼吸阀气动球阀气动蝶阀气动刀闸阀气动调节阀电动球阀电动蝶阀电动刀闸阀电动调节阀不锈钢球阀不锈钢闸阀不锈钢截止阀不锈钢止回阀不锈钢电磁阀高压电磁阀高压球阀波纹管截止阀

    官方网址:www.ikidtv.com