华体会平台_华体会(中国)一站式服务平台,
公司介绍
新闻中心
组织机构
服务理念
售后服务
联系我们
产品中心
jtgk.png

产品中心

KHB3K高压三通球阀

您的位置:阀门 - 球阀 - KHB3K高压三通球阀 更新时间:2025-07-09 08:07:52
KHB3K高压三通球阀
    • 质量安全:压力、材质、密封等全方位检测确保质量过关!
    • 价格比较:在相同品质的情况下,厂里直销,更具有优势!
    • 交货快捷:常规产品现货供应,生产加工销售一条龙服务!
      上海凯利科阀门致力于高品质阀门的设计、研发、生产销售服务于一体的大型阀门企业,科技创新,永不止步,与您携手共创辉煌...

    • 产品描述
    • 在线询价
    • 技术咨询
    KHB3K高压三通球阀KHB3K高压三通球阀

    KHB3K高压三通球阀有T型和L型。T型能使三条正交的管道相互联通和切断第三条通道,起分流、合流作用。L型只能连接相互正交的两条管道,不能同时保持第三条管道的相互连通,只起分配作用。

    产品名称: 高压三通球阀 产品型号: KHB3K
    公称通径: DN6~DN50 结构形式: 球形
    公称压力: 1.6Mpa~32.0Mpa 连接方式: 法兰、内螺纹、外螺纹
    适用温度: ≤170ºC 驱动方式: 手动、电动、气动
    阀体材质: 铸钢、不锈钢 制造标准: 国标GB、德国DIN、美国API、ANSI
    适用介质: 水、油、气体、液体 生产厂家: 华体会平台_华体会(中国)一站式服务平台,

    产品说明

    KHB3K高压三通球阀有T型和L型。T型能使三条正交的管道相互联通和切断第三条通道,起分流、合流作用。L型只能连接相互正交的两条管道,不能同时保持第三条管道的相互连通,只起分配作用。

    图形符号

    型号说明

    ① 系列代号:KHB3K(BK3)系列二位三通球阀
    ② 连接代号:M** 、G** 、 **LR 、**SR、PT**、NPT**
    ③ 阀体材料:1-钢、2-不锈钢
    ④ 球体材料:1-钢、2-黄铜、3-不锈钢
    ⑤ 工作温度:1、-25~+100℃ 2、-30~+170℃
    ⑥ 其他密封:2-丁晴橡胶、4-氟橡胶
    ⑦ 手柄形式:01-铝质直柄02-铝质曲柄03-铸锌直柄04-铸锌曲柄05-钢质直柄06-钢质曲柄09-不带手柄
    ⑧ 设计序号:由生产商定
    ⑨ 表面处理:空白-磷化、G-电镀黄锌

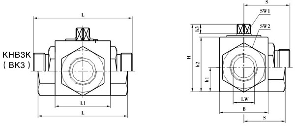
    外形结构

    M连接口略图

    M连接尺寸表

    简略型号

    PN(bar)

    DN

    LW

    RA

    d1

    i

    L

    L1

    B

    H

    h1

    h2

    h3

    SW1

    SW2

    S

    KHB3K-M16×1.5

    500

    06

    06

    11

    M16×1.5

    11

    69

    40

    26

    45

    13.5

    33

    8

    09

    22

    27.5

    KHB3K-M22×1.5

    500

    08

    08

    16

    M22×1.5

    12

    76

    42

    32

    49

    16

    36

    10

    09

    27

    33

    KHB3K-M27×1.5

    500

    10

    10

    20

    M27×1.5

    12

    76

    42

    32

    49

    16

    36

    10

    09

    27

    33

    KHB3K-M30×1.5

    400

    16

    15

    24

    M30×1.5

    13

    84

    48

    38

    61

    19

    45

    11

    09

    32

    37

    KHB3K-M36×2

    315

    20

    20

    30

    M36×2

    15

    103

    60

    48

    70

    25

    55

    11

    12

    41

    45.5

    KHB3K-M42×2

    315

    25

    23

    35

    M42×2

    18

    116

    65

    57

    79

    28.5

    64

    11

    12

    50

    54

    KHB3K-M52×2

    315

    32

    32

    40

    M52×2

    20

    149

    84

    75

    101

    37.5

    84

    12

    14

    60

    70

    KHB3K-M60×2

    315

    40

    38

    45

    M60×2

    22

    174

    91

    85

    112

    42.5

    95

    12

    14

    70

    84

    G连接口略图

    G连接尺寸表

    简略型号

    PN(bar)

    DN

    LW

    RA

    d1

    i

    L

    L1

    B

    H

    h1

    h2

    h3

    SW1

    SW2

    S

    KHB3K-G1/8

    500

    04

    06

    G1/8

    10

    69

    40

    26

    45

    13.5

    33

    8

    09

    22

    35

    KHB3K-G1/4

    500

    06

    06

    G1/4

    14

    69

    40

    26

    45

    13.5

    33

    8

    09

    22

    35

    KHB3K-G3/8

    500

    10

    10

    G3/8

    14

    72

    42

    32

    49

    16

    36

    10

    09

    27

    36

    KHB3K-G1/2

    500

    13

    12

    G1/2

    16

    83

    48

    35

    49

    17

    40

    10

    09

    30

    40

    KHB3K-G1/2

    400

    16

    15

    G1/2

    16

    83

    48

    38

    61

    19

    45

    11

    09

    32

    42

    KHB3K-G3/4

    315

    20

    20

    G3/4

    18

    95

    60

    48

    70

    25

    55

    11

    12

    41

    49

    KHB3K-G1

    315

    25

    25

    G1

    21

    113

    65

    57

    79

    28.5

    64

    11

    12

    50

    56.5

    KHB3K-G 11/4

    315

    32

    32

    G 11/4

    22

    110

    84

    75

    101

    37.5

    84

    12

    14

    60

    62.5

    KHB3K-G 11/2

    315

    40

    38

    G 11/2

    24

    130

    91

    85

    112

    42.5

    95

    12

    14

    70

    61

    KHB3K-G2

    315

    50

    48

    G2

    26

    140

    100

    105

    131

    52.5

    112

    12

    14

    80

    62.5

    NPT连接口略图:

    NPT连接尺寸表

    简略型号

    PN(bar)

    DN

    LW

    RA

    d1

    i

    L

    L1

    B

    H

    h1

    h2

    h3

    SW1

    SW2

    S

    KHB3K-NPT1/8

    500

    04

    06

    NPT1/8

    10

    69

    40

    26

    45

    13.5

    33

    8

    09

    22

    35

    KHB3K-NPT1/4

    500

    06

    06

    NPT1/4

    14

    69

    40

    26

    45

    13.5

    33

    8

    09

    22

    35

    KHB3K-NPT3/8

    500

    10

    10

    NPT3/8

    14

    72

    42

    32

    49

    16

    36

    10

    09

    27

    36

    KHB3K-NPT1/2

    500

    13

    12

    NPT1/2

    16

    83

    48

    35

    49

    17

    40

    10

    09

    30

    40

    KHB3K-NPT1/2

    400

    16

    15

    NPT1/2

    16

    83

    48

    38

    61

    19

    45

    11

    09

    32

    42

    KHB3K-NPT3/4

    315

    20

    20

    NPT3/4

    18

    95

    60

    48

    70

    25

    55

    11

    12

    41

    49

    KHB3K-NPT1

    315

    25

    25

    NPT1

    21

    113

    65

    57

    79

    28.5

    64

    11

    12

    50

    56.5

    KHB3K-NPT 11/4

    315

    32

    32

    NPT 11/4

    22

    110

    84

    75

    101

    37.5

    84

    12

    14

    60

    62.5

    KHB3K-NPT 11/2

    315

    40

    38

    NPT 11/2

    24

    130

    91

    85

    112

    42.5

    95

    12

    14

    70

    61

    KHB3K-NPT2

    315

    50

    48

    NPT2

    26

    140

    100

    105

    131

    52.5

    112

    12

    14

    80

    62.5

     

    声明:【KHB3K高压三通球阀】规格型号、结构尺寸由华体会平台_华体会(中国)一站式服务平台,提供,如何选择适用的KHB3K高压三通球阀产品,使之在工艺控制中安全可靠、经济适用,可致电我司销售部门及技术部门,我们将在最短的时间内为您解答!

    

    Copyright ©2011-2023 华体会平台_华体会(中国)一站式服务平台,,版权所有。 沪ICP备11046016号-29 网站地图

    销售电话:021-31001158

    手机号码:13816746668 陈国辉/经理

    电子邮件:klkvalves@126.com@126.com

    主营产品:球阀,闸阀,蝶阀,截止阀,止回阀,调节阀

    本周热门:不锈钢阻火器全天候呼吸阀气动球阀气动蝶阀气动刀闸阀气动调节阀电动球阀电动蝶阀电动刀闸阀电动调节阀不锈钢球阀不锈钢闸阀不锈钢截止阀不锈钢止回阀不锈钢电磁阀高压电磁阀高压球阀波纹管截止阀

    官方网址:www.ikidtv.com