D643H气动法兰硬密封蝶阀
D643H气动法兰硬密封蝶阀采用精密的U形弹性密封圈及三偏心多层次金属硬密封结构,被广泛用于介质温度≤425℃的治金 、电力、石油化工、以及给排水和市政建设等工业管道上,作调节流量和载断流体使用。该阀采用三偏心结构,阀座与碟板密封面均采用不同硬度和不锈钢制作,具有良好的耐腐蚀性,使用寿命长,本阀均有双向密封功能,产品符合国家GB/T13927-92阀门压力试验标准。
产品名称: |
气动法兰硬密封蝶阀 |
产品型号: |
D643H |
公称通径: |
DN50~DN1000 |
阀座密封: |
堆焊合金、司太立合金 |
公称压力: |
1.0Mpa~4.0MPa |
连接方式: |
法兰式 |
适用温度: |
-20ºC~+550ºC |
驱动方式: |
手动、蜗轮、电动、气动 |
阀体材质: |
铸钢、不锈钢 |
制造标准: |
国标GB、德国DIN、美国API、ANSI |
适用介质: |
水、油、蒸汽、气体、粉体、液体 |
生产厂家: |
华体会平台_华体会(中国)一站式服务平台, |
产品说明
D643H气动法兰硬密封蝶阀采用精密的U形弹性密封圈及三偏心多层次金属硬密封结构,被广泛用于介质温度≤425℃的治金 、电力、石油化工、以及给排水和市政建设等工业管道上,作调节流量和载断流体使用。该阀采用三偏心结构,阀座与碟板密封面均采用不同硬度和不锈钢制作,具有良好的耐腐蚀性,使用寿命长,本阀均有双向密封功能,产品符合国家GB/T13927-92阀门压力试验标准。
产品特点
1、本阀采用三偏心密封结构,阀座与蝶板几乎无磨损,具有越观越紧的密封功能。
2、密封圈选用不锈钢制作,具有金属硬密封和弹性密封的双重优点,无论在低温和高温的情况下,均具有优良的密封性能,具有耐腐蚀,使用寿命长等特点。
3、碟板密封面采用堆焊钴基硬质合金,密封面耐磨损,使用寿命长。
4、大规格蝶板采用绗架结构,强度高,过流面积大,流阻小。
5、本阀具有双向密封功能,安装时不受介质流向的限制,也不受空间位置的影响,可在任何方向安装。
6、驱动装置可以多工位(旋转90°或180°)安装,便于用户使用。
执行机构
采用新型系列GT型气动执行器,有双作用式和单作用式(弹簧复位),齿轮传动,安全可靠;大口径阀门采用系列AW型气动执行器拔叉式传动,结构合理,输出扭矩大,有双作用式和单作用式
1、齿轮式双活塞,输出力矩大,体积小。
2、气缸选用铝金材料,重量轻、外形美观。
3、可在顶部、底部安装手动操作机构。
4、齿条式连接可调节开启角度、额定流量。
5、执行器可选带电讯号反馈指示及各类附件以实现自动化操作。
6、IS05211标准连接为产品的安装更换提供了方便。
7、两端调的节螺钉可使标准产品在0°和90°有±4°的可调范围。确保与阀门的同步精度。
附件选项
根据不同控制和要求可选择下列附件:
切断型附件:单电控电磁阀、双电控电磁阀、限位开关回讯器。
调节型附件:电气定位器、气动定位器、电气转换器。
气源处理附件:空气过滤减压阀、气源处理三联件。
技术参数
公称通经DN(mm) |
50~2000 |
公称压力PN(MPa) |
0.6 |
1.0 |
1.6 |
2.5 |
密封试验(MPa) |
0.66 |
1.1 |
1.76 |
2.75 |
强度试验(MPa) |
0.9 |
1.5 |
2.4 |
3.75 |
适用温度 |
碳钢:-29℃~425℃ 不锈钢:-40℃~650℃ |
适用介质 |
水、空气、天然气、油品及弱腐蚀性流体 |
泄漏率 |
符合GB/T13927-92标准 |
驱动方式 |
蜗轮传动、电动、气动、液动 |
主要零部件材料
零件名称 |
材料 |
阀体 |
WCB、合金钢、不锈钢、QT450-10 |
蝶板 |
WCB、合金钢、不锈钢、QT450-10 |
阀轴 |
2Cr13不锈钢、合金钢 |
密封圈 |
不锈钢圈 |
填料 |
柔性石墨 |
执行标准
制造标准 |
JB/T 8527-97 |
法兰标准 |
GB9113-2000 |
结构长度标准 |
GB12221-89 |
检验标准 |
GB/T 13927-92 |
偏心原理及密封形式
1、偏离管道中心
2、偏离密封面中心
3、倾斜的锥形
当阀门开启时,蝶板与阀座在关闭时瞬间接触,利用蝶板偏心1、偏心2迅速脱离阀座,降低了密封副的磨损,磨擦力矩小,开启灵活。偏心锥面3,使阀门在开启或关闭时蝶板能通过阀座内孔,实现接触密封。另外,锥形蝶板的旋转半径大于密封副接触位置的旋转半径,故蝶板在阀门关闭时将出现越关越紧,能够实现自锁,防止蝶板过位。
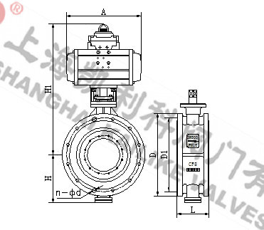
外形结构图
主要外形尺寸PN0.6-1. 0MPa
公称 通径 |
长度 标准值 |
外形尺寸 (参考值) |
连接尺寸 (标准值) |
重量 (kg) |
L |
H |
H2 |
A |
B2 |
PN0.6MPa |
PN1.0MPa |
毫米 |
英寸 |
短 |
长 |
D |
D1 |
Z-d |
D |
D1 |
Z-d |
50 |
2 |
108 |
150 |
112 |
625 |
245 |
72 |
140 |
110 |
4-14 |
165 |
125 |
4-18 |
17 |
65 |
2.5 |
112 |
170 |
115 |
625 |
245 |
72 |
160 |
130 |
4-14 |
185 |
145 |
4-18 |
20 |
80 |
3 |
114 |
180 |
120 |
645 |
245 |
72 |
190 |
150 |
4-18 |
200 |
160 |
8-18 |
23 |
100 |
4 |
127 |
190 |
138 |
675 |
355 |
92 |
210 |
170 |
4-18 |
220 |
180 |
8-18 |
25 |
125 |
5 |
140 |
200 |
164 |
715 |
355 |
92 |
240 |
200 |
8-18 |
250 |
210 |
8-18 |
40 |
150 |
6 |
140 |
210 |
175 |
800 |
355 |
92 |
265 |
225 |
8-18 |
285 |
240 |
8-22 |
47 |
200 |
8 |
152 |
230 |
208 |
850 |
250 |
170 |
320 |
280 |
8-18 |
340 |
295 |
8-22 |
60 |
250 |
10 |
165 |
250 |
243 |
925 |
250 |
170 |
375 |
335 |
12-18 |
395 |
350 |
12-22 |
95 |
300 |
12 |
178 |
270 |
283 |
1035 |
450 |
220 |
400 |
395 |
12-22 |
445 |
400 |
12-22 |
124 |
350 |
14 |
190 |
290 |
310 |
1070 |
450 |
220 |
490 |
445 |
12-22 |
505 |
460 |
16-22 |
181 |
400 |
16 |
216 |
310 |
340 |
1190 |
450 |
220 |
540 |
495 |
16-22 |
565 |
515 |
16-26 |
260 |
450 |
18 |
222 |
330 |
380 |
1250 |
650 |
280 |
595 |
550 |
16-22 |
615 |
565 |
20-26 |
338 |
500 |
20 |
229 |
350 |
410 |
1290 |
650 |
280 |
645 |
600 |
20-22 |
670 |
620 |
20-26 |
360 |
600 |
24 |
267 |
390 |
470 |
1455 |
850 |
380 |
755 |
705 |
20-26 |
780 |
725 |
20-30 |
540 |
700 |
28 |
292 |
430 |
550 |
1585 |
850 |
380 |
860 |
810 |
24-26 |
895 |
840 |
24-30 |
580 |
800 |
32 |
318 |
470 |
640 |
1700 |
1250 |
380 |
975 |
920 |
24-30 |
1015 |
950 |
24-33 |
845 |
900 |
36 |
330 |
510 |
710 |
1865 |
1250 |
380 |
1075 |
1020 |
24-30 |
1115 |
1050 |
28-33 |
1050 |
1000 |
40 |
410 |
550 |
770 |
2015 |
1500 |
580 |
1175 |
1120 |
28-30 |
1230 |
1160 |
28-36 |
1500 |
1200 |
48 |
470 |
630 |
890 |
2226 |
1500 |
580 |
1405 |
1340 |
32-33 |
1455 |
1380 |
32-39 |
2000 |
主要外形尺寸PN1.6-2.5MPa
公称通径 |
长度 标准值 |
外形尺寸 (参考值) |
连接尺寸 (标准值) |
重量 (kg) |
L |
H |
H2 |
A |
B2 |
PN1.6MPa |
PN2.5MPa |
毫米 |
英寸 |
短 |
长 |
D |
D1 |
Z-d |
D |
D1 |
Z-d |
50 |
2 |
108 |
150 |
112 |
605 |
245 |
72 |
165 |
125 |
4-18 |
165 |
125 |
4-18 |
19 |
65 |
21/2 |
112 |
170 |
115 |
625 |
245 |
72 |
185 |
145 |
4-18 |
185 |
145 |
8-18 |
22 |
80 |
3 |
114 |
180 |
120 |
645 |
355 |
92 |
200 |
160 |
8-18 |
200 |
160 |
8-18 |
25 |
100 |
4 |
127 |
190 |
138 |
675 |
355 |
92 |
220 |
180 |
8-18 |
235 |
190 |
8-22 |
28 |
125 |
5 |
140 |
200 |
164 |
715 |
355 |
92 |
250 |
210 |
8-18 |
270 |
220 |
8-26 |
43 |
150 |
6 |
140 |
210 |
175 |
800 |
250 |
138 |
285 |
240 |
8-22 |
300 |
250 |
8-26 |
50 |
200 |
8 |
152 |
230 |
208 |
850 |
250 |
170 |
340 |
295 |
12-22 |
360 |
310 |
12-26 |
64 |
250 |
10 |
165 |
250 |
243 |
925 |
250 |
170 |
405 |
355 |
12-26 |
425 |
370 |
12-30 |
99 |
300 |
12 |
178 |
270 |
283 |
1035 |
450 |
220 |
460 |
410 |
12-26 |
485 |
430 |
16-30 |
130 |
350 |
14 |
190 |
290 |
310 |
1070 |
450 |
220 |
520 |
470 |
16-26 |
555 |
490 |
16-33 |
188 |
400 |
16 |
216 |
310 |
340 |
1190 |
650 |
220 |
580 |
525 |
16-30 |
620 |
550 |
16-36 |
270 |
450 |
18 |
222 |
330 |
380 |
1250 |
650 |
280 |
640 |
585 |
20-30 |
670 |
600 |
20-36 |
350 |
500 |
20 |
229 |
350 |
410 |
1290 |
850 |
280 |
715 |
650 |
20-33 |
730 |
660 |
20-36 |
375 |
600 |
24 |
267 |
390 |
470 |
1455 |
850 |
380 |
840 |
770 |
20-36 |
845 |
770 |
20-39 |
560 |
700 |
28 |
292 |
430 |
550 |
1585 |
1250 |
380 |
910 |
840 |
24-36 |
960 |
875 |
24-42 |
610 |
800 |
32 |
318 |
470 |
640 |
1700 |
1250 |
280 |
1025 |
950 |
24-39 |
1085 |
990 |
24-48 |
880 |
900 |
36 |
330 |
510 |
710 |
1865 |
1250 |
280 |
1125 |
1050 |
28-39 |
1185 |
1090 |
28-48 |
1100 |
1000 |
40 |
410 |
550 |
770 |
2015 |
1250 |
380 |
1255 |
1170 |
28-42 |
1320 |
1210 |
28-56 |
1600 |
1200 |
48 |
470 |
630 |
890 |
2226 |
1500 |
380 |
1485 |
1390 |
32-48 |
1530 |
1420 |
32-56 |
2150 |
主要外形尺寸PN4.0MPa
公称通径 |
结构长度(标准值) |
外形尺寸(参考值) |
连接尺寸(标准值) |
L |
H |
H2 |
A |
B2 |
PN4.0MPa |
毫米 |
英寸 |
短 |
长 |
D |
D1 |
Z-d |
50 |
2 |
108 |
150 |
112 |
|
|
|
165 |
125 |
4-18 |
65 |
21/2 |
112 |
170 |
115 |
625 |
355 |
92 |
185 |
145 |
8-18 |
80 |
3 |
114 |
180 |
120 |
625 |
355 |
92 |
200 |
160 |
8-18 |
100 |
4 |
127 |
190 |
138 |
645 |
355 |
92 |
235 |
190 |
8-22 |
125 |
5 |
140 |
200 |
164 |
675 |
550 |
138 |
270 |
220 |
8-26 |
150 |
6 |
140 |
210 |
175 |
715 |
550 |
138 |
300 |
250 |
8-26 |
200 |
8 |
152 |
230 |
208 |
800 |
550 |
138 |
375 |
320 |
12-30 |
250 |
10 |
165 |
250 |
243 |
850 |
550 |
138 |
450 |
385 |
12-33 |
300 |
12 |
178 |
270 |
283 |
925 |
450 |
220 |
515 |
450 |
16-33 |
350 |
14 |
190 |
290 |
310 |
1035 |
450 |
220 |
580 |
510 |
16-36 |
400 |
16 |
216 |
310 |
340 |
1070 |
650 |
280 |
660 |
585 |
16-39 |
450 |
18 |
222 |
330 |
380 |
1190 |
650 |
280 |
685 |
610 |
20-39 |
500 |
20 |
229 |
350 |
410 |
|
|
|
755 |
670 |
20-42 |
注:法兰标准:GB/T9113.1-2000 GB/T9113.2-2000 GB/T911.5.1-2000 GB/T9115.2-2000
声明:【D643H气动法兰硬密封蝶阀】规格型号、结构尺寸由华体会平台_华体会(中国)一站式服务平台,提供,如何选择适用的D643H气动法兰硬密封蝶阀产品,使之在工艺控制中安全可靠、经济适用,可致电我司销售部门及技术部门,我们将在最短的时间内为您解答! |