华体会平台_华体会(中国)一站式服务平台,
公司介绍
新闻中心
组织机构
服务理念
售后服务
联系我们
产品中心
jtgk.png

产品中心

电动V型球阀

您的位置:阀门 - 球阀 - 电动V型球阀 更新时间:2025-07-09 08:07:58
电动V型球阀
    • 质量安全:压力、材质、密封等全方位检测确保质量过关!
    • 价格比较:在相同品质的情况下,厂里直销,更具有优势!
    • 交货快捷:常规产品现货供应,生产加工销售一条龙服务!
      上海凯利科阀门致力于高品质阀门的设计、研发、生产销售服务于一体的大型阀门企业,科技创新,永不止步,与您携手共创辉煌...

    • 产品描述
    • 在线询价
    • 技术咨询
    电动V型球阀电动V型球阀

    电动V型球阀是一种芯阀座采用金属,或金属对聚四氟乙烯密封配合的旋转球阀,它将球阀和蝶阀的最佳控制特性结合成一体,既可用作控制调节阀,又可作关断切断阀。球芯上的V形切口与金属阀座之间具有剪切作用,特别适用于控制高粘度,含纤维、固体颗粒及浆料等介质。

    产品名称: 电动V型球阀 产品型号: VQ947H/F/Y、VQ977H/F/Y
    公称通径: DN25~DN500 结构形式: 球形
    公称压力: 1.6Mpa~4.0Mpa 连接方式: 法兰式、对夹式
    适用温度: -20~232℃~450℃ 驱动方式: 手动、蜗轮、电动、气动
    阀体材质: 铸钢、不锈钢 制造标准: 国标GB、德国DIN、美国API、ANSI
    适用介质: 蒸汽、液体、固体颗粒、粘稠、易结晶介质 生产厂家: 华体会平台_华体会(中国)一站式服务平台,

    产品说明

    电动V型球阀是一种芯阀座采用金属,或金属对聚四氟乙烯密封配合的旋转球阀,它将球阀和蝶阀的最佳控制特性结合成一体,既可用作控制调节阀,又可作关断切断阀。球芯上的V形切口与金属阀座之间具有剪切作用,特别适用于控制高粘度,含纤维、固体颗粒及浆料等介质。结构制造纸工业的纸浆显得尤为优越。阀门的流通能力大、压力损失小、且介质不会沉积在阀体中腔,阀门不仅具有近似等有分比的流量特性、可调范围大,最大可调比为100:1,还具有精确调节与可靠定位的功能。

    产品特点

    电动V型球阀是球阀的一种,它的关闭件是半球体上开有V字型开口,V型开口具有锋利的刃口,在球体回转过程中,关闭件之间有擦拭作用,对介质具有强有力的切断力,球体的V型开口与阀座流道形成一个扇形区域,在回转过程中可改变流道截面积,形成对介质的精确调节,它是一种角回转的调节阀,其密封性能与普通球阀相同,使它同时具备调节和开关两种功能,与气动或电动执行器配套,广泛使用于工业过程自控系统中。
    1、阀体整体式结构:对夹式和法兰式V型球阀阀体都是整体侧装式结构,结构刚性强,不容易引起变形和外泄。
    2、上下自润滑轴承:阀体内装有上下自润滑轴承,与阀杆接触面积大,承载能力高,磨擦系数小,使阀门的扭矩减少。
    3、阀座可根据介质和工况的需要,选金属硬密封或PTFE软密封:金属硬密封阀座密封表面堆焊硬质合金,球 面镀硬铬或喷焊、离子氮化等硬化处理,使密封面使用寿命增强,耐温提高;软密封PTFE阀座或增强PTFE阀座密封性好 耐腐蚀,适应范围广。
    4、经济实用性:阀体重量轻,阀杆扭矩小,配用气动或电动执行器相应规格小,与其它类型的调节阀相比,性价比高。
    5,介质适应范围广:由于V型开口与阀座之间的剪切作用力,及阀内腔流道的光滑圆整,使介质不易积存于内腔,所以 它除适合液体介质外,更适合于带纤维及固体颗料介质的系统控制。
    6、小流量精确控制:通过对小口径阀芯特殊V型开口的加工,可实现小Cv值精确控制。

    技术规范

    设计依据 GB标准 ANSI标准
    设计标准 GB/12237 ANSIB16.34
    连接法兰尺寸 GB/9113、JB/T79 ANSIB16.5
    试验和检验 JB/T9002 API598

    阀座参数


    金属密封阀座 高温型金属密封阀座 软阀座
    序号 名称 温度范围℃ 序号 名称 温度范围℃ 序号 名称 温度范围℃
    1 密封阀盖 -20~160℃
    -20~230℃
    1 密封阀盖 -20~425℃ 1 密封阀盖 -20~160℃
    2 弹簧 2 碟簧 2 弹簧
    3 O形圈 3 压圈 3 O形圈
    4 阀体 4 石墨环 4 阀体
    5 密封座 5 阀座 5 密封座
    6 阀芯 6 阀体 6 密封圈(PTFE)
      7 阀芯 7 阀芯

    主要零件材质表

     
    序号 名称 数量(件) 材料
    1 阀体 1 WCB CF8 CF8M
    2 阀芯 1 CF8表面镀硬铬 CF8表面镀硬铬 CF8M表面镀硬铬
    3 圆柱销 2 304 304 316
    4 阀座 1 304堆焊硬质合金 304堆焊硬质合金 316
    5 弹簧 1 316 316 316
    6 0型圈 1 氟橡胶 氟橡胶 氟橡胶
    7 自润滑轴承   304+PTFE 304+PTFE 316+PTFE
    8 下阀杆 1 20Cr13 304 316
    9 O型圈 1 氟橡胶 氟橡胶 氟橡胶
    10 后压盖 1 WCB CF8 CF8M
    11 环垫 1 PTFE PTFE PTFE
    12 调节垫片 1 PTFE PTFE PTFE
    13 平垫片 4 Q235 304 304
    14 螺栓 4 25 304 304
    15 双头螺柱 2 25 304 304
    16 自润滑轴承 1 304+PTFE 304+PTFE 316+PTFE
    17 平键 1 20Cr13 304 316
    18 下填料 1 PTFE PTFE PTFE
    19 中填料 1组 PTFE PTFE PTFE
    20 上填料 1 PTFE PTFE PTFE
    21 填料压盖 1 WCB CF8 CF8M
    22 螺母 2 35 304 304
    23 上阀杆 1 20Cr13 304 316

    主要技术参数及性能指标

    公称通径DN 25 32 40 50 65 80 100 125 150 200 250 300 350 400
    额定流量系数Cv 32 43 78 90 160 250 360 610 1120 1850 2950 3700 7195 11466
    公称压力 PN1.6、2.5、4.0、6.4MPa
    强度试验 2.4~9.6MPa
    密封试验 1.76~7.0MPa
    流量特性 近似等百分比、直线特性
    阀板转角(度) 0°~至90°(可调)
    允许泄漏量等级 软密封:零泄露
    硬密封:≤额定Cv×0.001%
    软密封:VI微气泡级,金属密封:≤额定CV×0.065%
    动作时间(S/90度) 8.5~30 36~60
    可调节比 250:1 300:1
    基本误差 全行程的≤±2%
    回差 全行程的≤±2%
    死区 全行程的≤0.8%
    控制方式 开关到位灯(开关两位控制)、无源触点信号、1/5K电位计、智能调节(4~20mA模拟量信号控制)

    执行器技术参数

    执行器类别 引进型JOX系列执行器参数 引进型3610R系列执行器参数 引进型JHQ系列执行器参数
    电源电压 标准:220V AC单相 可选:110V AC 单相、380/440V AC 三相、24V/110V/220V AC
    输出力矩 50N·M~2000N·M 50N·M~1500N·M 50N·M~3000N·M
    动作范围 0~90° 0~360° 0~90° 0~90°、0°~270°可选
    控制方式 开关到位灯(开关两位控制)、无源触点信号、1/5K电位计、智能调节(4~20mA模拟量信号控制)
    动作时间 15秒/30秒/60秒 10秒/15秒/30秒 18S~112S
    保护装置 过热保护 过载保护 内置过热保护、过载保护
    环境温度 -30°~60° -30°~60° -20℃~+70℃
    手动操作 同附带手柄操作 同附带手柄操作 机械离合机构,配手轮操作
    机械限位 电气、机械二重限位 电气、机械二重限位 2个外部调整螺栓
    防护等级 IP65 IP55 IP65、IP67、可定制IP68
    防爆等级 无防爆 ExdⅡ BT4 ExdⅡ BT4,ExdⅡ CT6
    位置测量 可选装开关或电位计 比例控制单元 电位计、比例控制单元
    驱动电机 8W/E AC可逆电机 鼠笼式异步电机
    进线接口 PE1/2〞进线线锁 2-PF 1/2〞进线线锁 2个 PF 3/4”
    壳体材料 铝合金 钢,铝合金 钢,铝合金,铝青铜,聚碳酸脂
    外涂层 干粉,环氧聚酯,具有超强防腐功能
    采用独特的电制动线路,因而定位精度高,执行机构灵敏,启动停止迅速,运行平稳。同时具有抗干扰、抗浪涌电压、防击穿能力强的特点
    适用于动作频繁的调节回路,当接通持续率为25%时,每小时动作次数可达630-1200次

    流量特性指数图

     

    VQ947(H/FY)法兰式电动V型球阀结构图

    VQ947(H/FY)法兰式电动V型球阀外形参数及连接尺寸

    (1.6MPa-2.5MPa)
    公称压力
    PN(MPa)
    公称通径
    DN(mm)
    尺寸(mm)
    L L1 D D1 D2 b Z-ød Dc H1
    1.6 25 - - - - - - - 38 57
    40 - - - - - - - 49 63
    50 124 62 160/165 125 100/102 16/18 4-ø18 60 92
    65 145 72.5 180/185 145 120/122 18 4-ø18 75 100
    80 165 82.5 195/200 160 135/138 20 8-ø18 89 108
    100 194 97 215/220 180 155/158 20 8-ø18 113 117
    125 210 105 245/250 210 185/188 22 8-ø18 140 140
    150 229 114.5 280/285 240 210/212 24/22 8-ø23/8-ø22 164 177
    200 243 121.5 335/340 295 265/268 26/24 12-ø23/12-ø22 205 200
    250 297 148.5 405 355 320 30/26 12-ø25/12-ø26 259 252
    300 338 169 460 410 375/378 30/28 12-ø25/12-ø26 300 270
    2.5 25 - - - - - - - 38 57
    40 - - - - - - - 49 63
    50 124 62 160/165 125 100/102 20 4-ø18 60 92
    65 145 72.5 180/185 145 120/122 22 8-ø18 75 100
    80 165 82.5 195/200 160 135/138 22/24 8-ø18 89 108
    100 194 97 230/235 190 160/162 24 8-ø23/8-ø22 113 117
    125 210 105 270 220 188 28/26 8-ø25/8-ø26 140 140
    150 229 114.5 300 250 218 30/28 8-ø25/8-ø26 164 177
    200 243 121.5 360 310 278 34/30 12-ø25/12-ø26 205 200
    250 297 148.5 425 370 332/335 36/32 12-ø30 259 252
    300 338 169 485 430 390/395 40/36 16-ø30 300 270

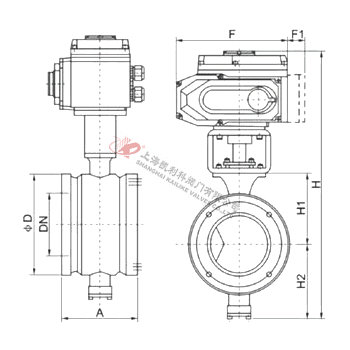
    VQ977(H/FY)对夹式电动V型球阀结构图

    VQ977(H/FY)对夹式电动V型球阀外形参数及连接尺寸

    (1.6MPa-2.5MPa)
    公称通径DN 尺寸(mm)
    A ΦD H1 H2 H F F1
    15 62 Φ64 74 75 390 161 40
    20 62 Φ64 74 75 390 161 40
    25 62 Φ64 74 75 390 161 40
    32 62 Φ78 80 75 400 188 40
    40 62 Φ82 85 75 405 188 40
    50 75 Φ100 87 95 430 188 40
    65 80 Φ120 105 115 460 188 40
    80 100 Φ131 115 125 520 268 40
    100 115 Φ158 125 125 530 268 40
    125 130 Φ180 140 155 570 268 40
    150 160 Φ216 153 165 600 268 40
    200 200 Φ268 200 195 680 268 40
    250 240 Φ325 225 225 730 268 40
     

    声明:【电动V型球阀】规格型号、结构尺寸由华体会平台_华体会(中国)一站式服务平台,提供,如何选择适用的电动V型球阀产品,使之在工艺控制中安全可靠、经济适用,可致电我司销售部门及技术部门,我们将在最短的时间内为您解答!

    上一篇:气动V型球阀 下一篇:YJZQ液压球阀

    

    Copyright ©2011-2023 华体会平台_华体会(中国)一站式服务平台,,版权所有。 沪ICP备11046016号-29 网站地图

    销售电话:021-31001158

    手机号码:13816746668 陈国辉/经理

    电子邮件:klkvalves@126.com@126.com

    主营产品:球阀,闸阀,蝶阀,截止阀,止回阀,调节阀

    本周热门:不锈钢阻火器全天候呼吸阀气动球阀气动蝶阀气动刀闸阀气动调节阀电动球阀电动蝶阀电动刀闸阀电动调节阀不锈钢球阀不锈钢闸阀不锈钢截止阀不锈钢止回阀不锈钢电磁阀高压电磁阀高压球阀波纹管截止阀

    官方网址:www.ikidtv.com